浅谈矿井提升机盘型制动器的故障及预防对策
盘型制动器一旦发生故障,轻则影响生产进度,重则导致恶性事故的发生。常见的盘型制动器故障主要表现为刹不住车或敞不开闸,导致其故障的原因多种多样。笔者从盘型制动器工作原理的角度分析产生故障的原因,提出相应的预防对策及今后的维护措施,并列举典型案例进行分析。
1、盘型制动器的工作原理
目前大多数新型矿井提升机的制动系统都使用盘型制动器,与块式制动器相比,盘型制动器具有结构紧凑、动作灵敏、质量轻和散热快等特点。
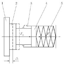
如图1所示,F1为油压力,F2为弹簧预压缩力。显而易见,盘型制动器是靠油压力 F1松闸,弹簧预压缩力 F2制动来实现其功能的。

油压力
式中:p 为工作油压,Pa;A 为盘型制动器中的液压缸面积,m2。

弹簧预压缩力
式中:K 为碟簧的刚度,N/m;Δ0为油压力 p=0 时碟簧的预压缩量,m。

图1 盘型制动器工作原理
1. 制动盘 2. 闸瓦 3. 液压缸 4. 活塞 5. 碟形弹簧
当油压力 p=0 时,即 F1=0,闸瓦与制动盘之间的间隙 Δ=0,此时为全制动状态。
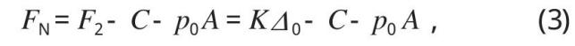
由于存在活塞运动阻力和工作残压的作用,使得全制动状态下盘型制动器输出的正压力

式中:C 为盘型制动器中活塞的运动阻力,N;p0为液压系统中的残压,Pa。
当油压力 p 增加到某一值 pn时,闸瓦脱离制动盘,闸瓦与制动盘之间的间隙 Δ> 0,两者之间无正压力存在,此时制动器处于完全松闸状态。
此时满足

其中

将式 (1) 和式 (5) 代入式 (4),可得完全松闸状态下

式中:F2′为油压力 p=pn时碟簧的压缩力,N;Δ′为油压力 p=pn时碟簧的压缩量,m。
盘型制动器的制动力矩是靠闸瓦沿轴向从两侧压向制动盘而产生的,其计算公式为

式中:μ 为摩擦因数;R 为制动半径,m;n 为闸瓦个数。
2 盘型制动器的常见故障类型及其制动失效原因
盘型制动器的大部分故障都是不能按照规定完成制动任务,或者制动效果达不到规定要求。通常盘型制动器的故障主要分为制动失效和松闸失效 2大类。
2.1 盘型制动器制动失效
盘型制动器制动失效,其主要原因是制动力矩不足。由式 (7) 可以看出,影响制动力矩的主要因素有以下 2 个。
(1) 制动器输出的正压力 FN不足 由式 (3) 可以看出,造成制动器输出的正压力不足的主要因素有:① 由于碟形弹簧反复拉伸和压缩出现疲劳或断裂,造成碟簧刚度 K 不足,导致正压力 FN不足;②制动盘偏摆过大或闸瓦过度磨损,造成闸瓦与制动盘之间的间隙 Δ 过大,全制动时碟簧预压缩量Δ0减小,导致输出的正压力 FN不足;③ 活塞密封圈老化、液压油污染等造成活塞运动阻力 C 增加,导致正压力FN不足;④ 油质污染或油路堵塞造成制动系统残压p0过大,导致制动器输出正压力 FN不足;⑤ 联接衬板筒体和活塞的大螺栓出现松动,使得碟簧预压缩量Δ0减小,导致产生的正压力 FN不足。
(2) 闸瓦与制动盘之间的摩擦因数 μ 降低根据相关文献资料及现场试验数据可知,造成摩擦因数 μ 降低的主要因素有:① 制动盘或闸瓦表面被油污污染,主要原因是制动器液压缸漏油,油管开焊、接头松动漏油以及液压缸内活塞密封圈老化造成的漏油;② 闸瓦接触面发生变形,主要是由于工作温度过高导致闸瓦过热而烧流或变焦,从而影响摩擦因数μ;③ 摩擦因数的大小与物体的运动速度有关,当提升机高速运行时,会导致摩擦因数 μ 降低。
2.2 盘型制动器松闸失效
由式 (6) 可以看出,造成制动器松闸失效的主要因素有:
(1) 液压站油压 p 不足,不足以克服弹簧力 F2' 和活塞运动阻力 C;
(2)液压缸配合过紧或卡缸造成活塞运动阻力 C剧烈增加,使制动器油压力 F1无法克服运动阻力 C而敞不开闸。
3 预防对策
对设备进行维护保养,就是要通过设备运行过程中出现的蛛丝马迹,在故障未出现前通过科学合理的维护,将故障消除在萌芽状态。通过分析盘型制动器常见故障类型及原因,笔者提出日常维护过程中预防盘型制动器失灵的措施如下:
(1) 根据提升机的工作量,定期检查闸瓦剩余厚度,小于 6 mm 时应立即更换。
(2) 盘型制动器的制动盘两侧不应有油污,每班至少检查一次,发现油污应及时停车处理,以免影响闸瓦和制动盘之间的摩擦因数。
(3) 在提升机正常运转时,若出现制动器液压缸漏油的情况,应及时更换密封圈。
(4) 在下放重物的过程中应投入动力制动,不能单单依靠制动盘制动,否则会使闸瓦发热,易造成闸瓦热变形,降低闸瓦摩擦因数而影响制动力。
(5) 闸间隙保持在 1 mm 左右且应不大于 2 mm。对于未装设闸间隙保护装置的老设备应及时配置,当闸间隙超过规定值时,应能自动警报或自动断电。闸间隙调整完毕后必得将定位螺栓锁紧。
(6) 每半年过滤一次液压油,保证油质清洁;每班检查一次液压油的油量,保证油量充足。
(7) 碟形弹簧的使用时间不应超出国家标准的规定,一般动作次数超过 50 万次应予以更换。
(8) 装设制动盘偏摆自动检测装置,在检测到制动盘偏摆量大于 1 mm 时,应采用火焰法或车削法重新校正制动盘,使其偏摆量≤1 mm,满足规程的相关要求。
对于达到使用年限或长期维护后仍然不能正常工作的盘型制动器装置,应及时对其进行整体改造,更换全新的制动系统以满足规程的各方面要求,保障矿井提升机的平安运行。
4 结语
矿井提升机盘型制动器的故障虽多种多样,但只要合理使用,按照上述措施加强日常管理维护,就能及时了解盘型制动器的使用状况和它在使用中存在的问题,做到心中有数,及时准确地排除隐患,从而保证矿井提升机平安可靠运行,防止事故的发生,确保矿山的平安生产。



